EMC Question of the Week: December 1, 2025

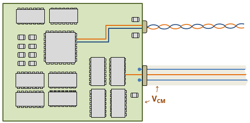
illustration of a printed circuit board with attached twisted wire pair and a ribbon cable

Some of the power in a signal propagating on a transmission line can be converted from differential-mode to common-mode when the signal experiences  

  1. electrical imbalance
  2. a change in electrical imbalance
  3. a change in characteristic impedance
  4. any of the above

Answer

The best answer is “b.” Differential-mode to common-mode conversion in transmission lines can occur if (and only if) the signal experiences a change in the electrical imbalance. At any point where the imbalance changes, a common-mode voltage is developed. The amplitude of that common-mode voltage is VCM = VDM x Δh, where Δh is the change in the imbalance factor (also called the current division factor) of the transmission line.

Imbalance doesn't cause mode conversion. Balanced transmission lines (e.g., matched trace pairs) and unbalanced transmission lines (e.g. microstrip traces) are equally capable of carrying signals with no mode conversion. 

Changes in characteristic impedance cause reflections in differential-mode signals, but the reflected power as well as the transmitted power still propagates in the differential mode.

Why is this important? By design, signal and power distribution in most circuit boards and systems are generally differential (i.e., high-frequency currents flow out on one conductor and return on a nearby conductor). On the other hand, most radiated emissions and immunity problems are due to common-mode currents. Preventing unwanted mode conversion is an important step in ensuring that a product meets its emissions and immunity requirements.

Balanced sources should drive balanced transmission lines and have balanced terminations. Unbalanced sources should drive unbalanced transmission lines and have unbalanced terminations. 

Have a comment or question regarding this solution? We'd like to hear from you. Email us at This email address is being protected from spambots. You need JavaScript enabled to view it..